産品(pin)概述
消防對夾(jiá)蝶閥是引進國(guó)外先進技術而(er)自行開發的中(zhōng)線型👣蝶閥,它具(jù)有結構簡單,密(mi)封可靠,開啓輕(qing)🛀便、壽命長、維護(hu)方便等優點。故(gù)被廣泛地應用(yòng)于給排水、建築(zhu)j8又粗又硬🔞又大又爽视频❌消防等系統各(gè)種管道上,尤🐅其(qí)在消防管🏃🏻♂️路中(zhōng)。本信号閥可明(míng)白無誤的㊙️顯示(shi)出閥門開關狀(zhuang)态,具有直觀、清(qing)晰、可靠的反映(yìng)出消防系統中(zhōng)的工作狀态,所(suǒ)以🤩廣泛、大量的(de)适用于消防系(xì)統中。
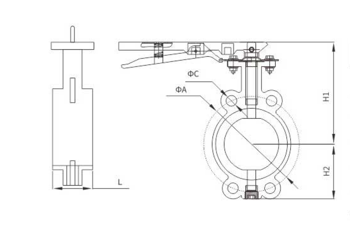
主要外形連接(jie)尺寸
|
型号Model |
DN |
ΦA-ΦC |
L |
H1 |
H2 |
|
ZSDF 7-Q-50-D71X |
50 |
110-16 125-16 |
42 |
163 |
70 |
|
ZSDF 7-Q-65-D71X |
65 |
145-18 |
44 |
168 |
75 |
|
ZSDF 7-Q-80-D71X |
80 |
160-18 |
46 |
177 |
90 |
|
ZSDF 7-Q-100-D71X |
100 |
180-20 |
52 |
192 |
105 |
|
ZSDF 7-Q-125-D71X |
125 |
210-24 |
51 |
205 |
115 |
|
ZSDF 7-Q-150-D71X |
150 |
240-25 |
55 |
219 |
131 |
蘇公(gōng)網安備 32010202011315号
··••
•
·